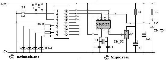
Microchip 16F628 pic to PPC using RawIr.dll


Here's a 'modified' example circuit for 2 way IR comms from a PPC to a Microchip 16F628 Pic.
It works fine at 6V, 4*AA batteries.


Ignore the date.

The circuit, with my code, PicPPC, gives you full access to set or clear PortB bits 0-7,
and read PortA bits 2,3 and 6,7 from your Ppc.

 

You need Fly.JPG, SerialNET.dll, Binaryfile.dll and RawIr.dll in the same directory as PicPPC.sbp